- Mehanička regulacija nivoa snage sa 9 nivoa, sa tačnim podešavanjem i reprodukcijom veličine plamena
- Kontrolna tabla za udobno i sigurno upravljanje
- Čvrste rešetke od livenog gvožđa sa glatkom površinom
- Višenamenski plamenik od čvrstog, toplotno otpornog mesinga, kao što se koristi u profesionalnim kuhinjama
- Višenamenski plamenik sa snagom do 5,8 kW
Zone za kuvanje
1 višenamenski wok plamenik (300 W – 5800 W), pogodan za posude do maks. ø 30 cm.
Kontrola
Kontrolna dugmadi sa osvetljenim prstenom.
Integrisana kontrolna tabla.
Upravljanje jednom rukom.
Elektronsko paljenje.
Da biste zatvorili poklopac, rešetka od livenog gvožđa može se lako okrenuti.
Karakteristike
Rešetka od livenog gvožđa.
Plamenici od mesinga.
Bezbednost
Termoelektrična sigurnosna pilota.
Indikacija preostale toplote.
Indikator rada.
Napomene za planiranje
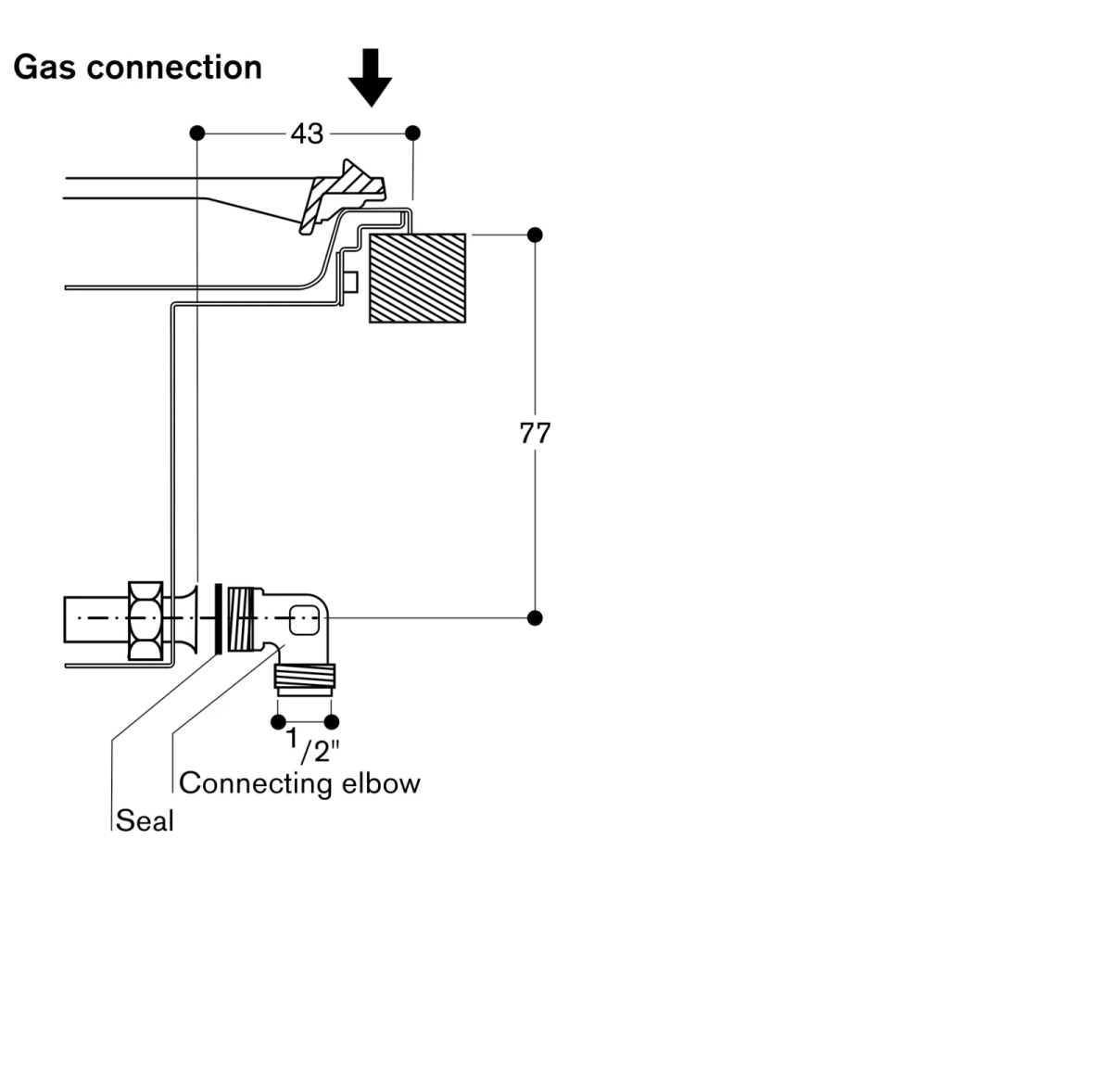
Specijalni nastavci za prirodni gas 20 mbar mogu se naručiti kao rezervni delovi..
Uređaj se može postaviti u radnu površinu sa gornje strane.
Mora se poštovati minimalni razmak od najmanje 150 mm od susednog nameštaja osetljivog na toplotu ili kontaktnih površina, ili je potrebno postaviti termičku izolaciju.
Sa ukupnom priključnom snagom većom od 11 kW, moraju se poštovati lokalni propisi u vezi sa ventilacijom prostorije, veličinom prostorije i kombinacijom nape za izduvavanje ili recirkulaciju.
Minimalna udaljenost između površine ploče za kuvanje i ormara iznad, koji nije zapaljiv, mora biti 65 cm.
Minimalna udaljenost do ventilacije iznad prikazana je u napomenama za planiranje za pojedinačne proizvode ventilacije.
Težina uređaja: približno 9 kg.
Priključak
Ukupna priključna snaga za gas 5,8 kW.
Ukupna priključna snaga za električni priključak 10 W.
Priključni kabl od 1,5 m sa utikačem.



















